Milica Srećković 26 - Kragujevac, Srbija
  +381 34 206549      kontakt@idestgroup.com
     

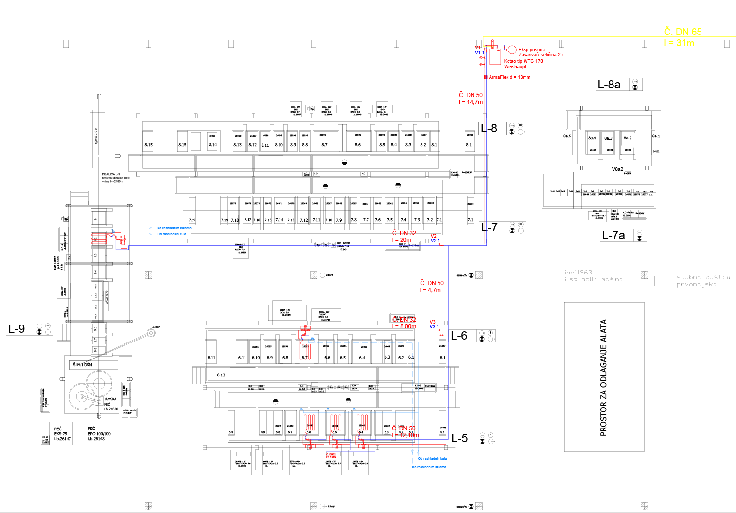
Rekonstrukcija sistema grejanja rastvora u kadama za hromiranje u objektu 36 - Galvanizacija

 2019.

eng ind instal

Kratak opis: Rekonstrukcija sistema grejanja rastvora u kadama za hromiranje u objektu 36 – Galvanizacija u okviru kompleksa Zastava oružje. Ceo proces upravljan je preko logičkog kontrolera koji je informaciju o temperaturi dobijao od Pt100 sonde uronjene u rastvor.

Investitor: Zastava oružje a.d.

Godina: 2019.

Lokacija: Kragujevac, Srbija

Faze: IDP – Idejni projekat mašinskih instalacija